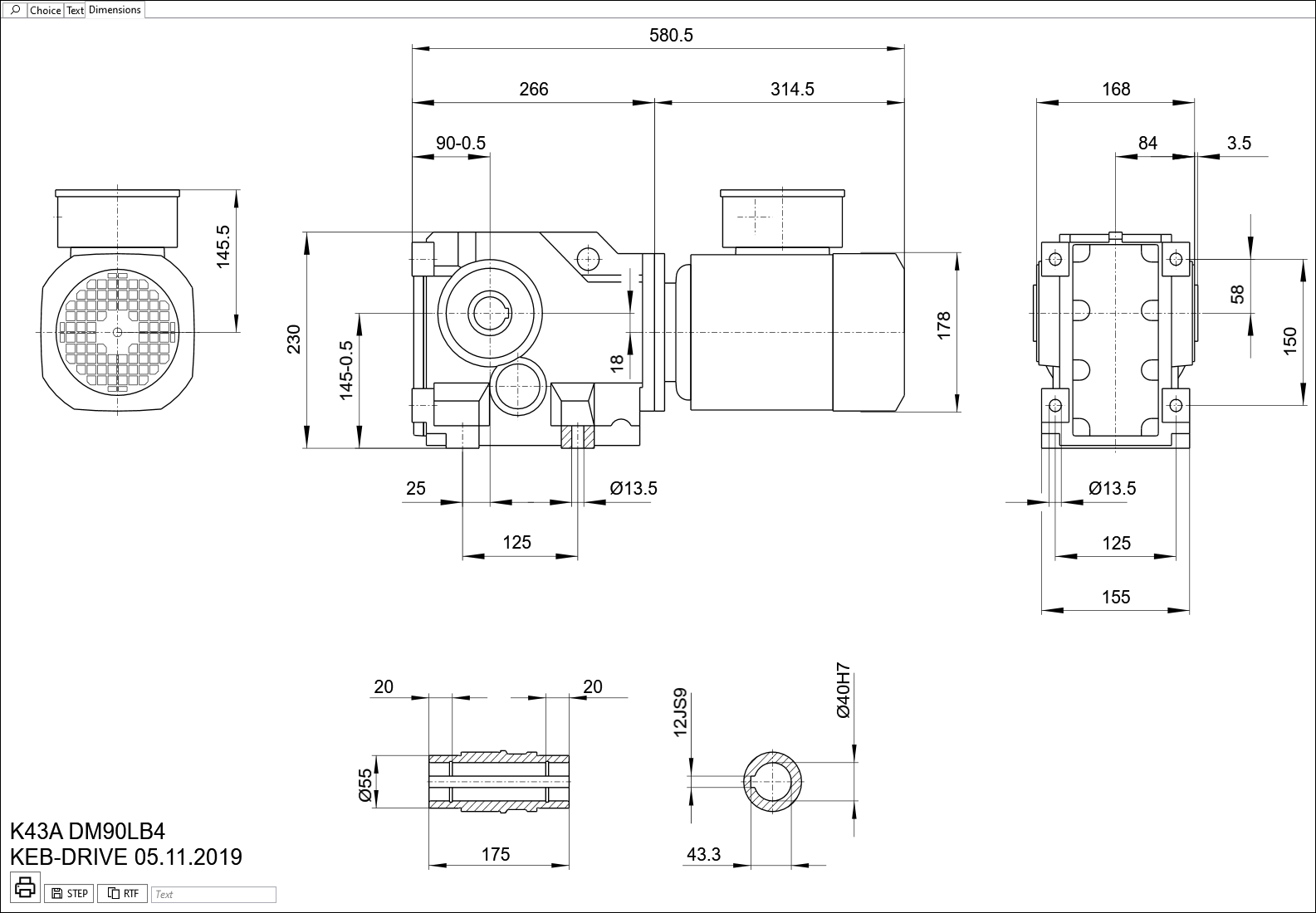
KEB Gear units & Motors
Software KEB-DRIVE
- Select KEB products quickly and easily
- Detailed product description
- Additional technical informations
- integrated search function for easy finding of drives



- STEP: 3-dimensional model in STEP-format
- RTF: Saves dimension sheet in RTF-format to clipboard
Download product selection software for KEB Gears & Motors
System requirements: Operating system Microsoft Windows 10 + Microsoft .NET Framework 4.7.2
